ÐÂÀû18

²úÆ·Óë¼Æ»®

     001.png 

ÐÂÀû18(ÖйúÇø)¹Ù·½ÍøÕ¾ Ó¦ÓÃÐÎò

   Ëæ×ÅÈËÃÇÉúÑÄˮƽµÄÌá¸ß£¬£¬£¬£¬ £¬£¬Îü³¾Æ÷ÕýÔÚÖйú¼ÒͥѸËÙµÄÆÕ¼°£¬£¬£¬£¬ £¬£¬ÈËÃǵÄÍ·ÄÔÒ²±¬·¢ÁËת±ä£¬£¬£¬£¬ £¬£¬ÏÖÔÚͨË×¼ÒÍ¥¶ÔÎü³¾Æ÷µÄÐèÇóÒ²ÊÇ´ó´óµÄÌá¸ßÁË¡£¡£¡£¡£¡£

  ÎÞË¢Âí´ï¡¢ÖÇÄÜ¿ØÖÆ¡¢´«¸ÐÆ÷¼°ï®µç³ØµÈÊÖÒÕµÄÒ»Ö±Éú³¤£¬£¬£¬£¬ £¬£¬µ¼ÖÂÎü³¾Æ÷Ó¦ÓöÔMOSFETÒªÇóÔ½À´Ô½¸ß£¬£¬£¬£¬ £¬£¬¹¦ÂÊÃܶÈÒ²Ô½À´Ô½´ó¡£¡£¡£¡£¡£

  CRMICRO ÌṩÊʺÏÓÚÎü³¾Æ÷Ó¦ÓõĵÍÄÚ×裬£¬£¬£¬ £¬£¬Ð¡Ìå»ýDFNϵÁзâ×°²úÆ·£¬£¬£¬£¬ £¬£¬¾ßÓÐ½ÏµÍµÄ FOM [QG *RDS(on£©] ʵÏÖÁ˺ÜÊǵ͵ĵ¼Í¨ºÍ¿ª¹ØÏûºÄ¡£¡£¡£¡£¡£±ðµÄ£¬£¬£¬£¬ £¬£¬¼«µÍµÄ¼ÄÉú²ÎÊýÄÜʵÏÖ¸ü¸ßµÄƵÂʺͺÜÊǸ߹¦ÂÊÃܶÈÉè¼Æ¡£¡£¡£¡£¡£×ÊÖúÖÆÔìÉÌΪÎü³¾Æ÷Éè¼ÆÊµÏÖÓÅ»¯¡¢¸ßЧµÄ½â¾ö¼Æ»®¡£¡£¡£¡£¡£

 

  ²úÆ·ÌØÉ«


ÐÂÀû18(ÖйúÇø)¹Ù·½ÍøÕ¾ SJ »ùÓÚSGTƽ̨¿ª·¢£¬£¬£¬£¬ £¬£¬FOMÖµµÍ   ÐÂÀû18(ÖйúÇø)¹Ù·½ÍøÕ¾ -40V-60Vµçѹ¶Î£¬£¬£¬£¬ £¬£¬¶à¹æ¸ñ²úÆ·¿É¹©Ñ¡Ôñ
ÐÂÀû18(ÖйúÇø)¹Ù·½ÍøÕ¾ ¿¹¹¥»÷ÄÜÁ¦Ç¿£¬£¬£¬£¬ £¬£¬ÊÊÓÃÓÚµç»úÇý¶¯ºÍBMSÓ¦Óà   ÐÂÀû18(ÖйúÇø)¹Ù·½ÍøÕ¾ DFNµÈϵÁзâ×°ÆëÈ«£¬£¬£¬£¬ £¬£¬Öª×ãÎü³¾Æ÷²î±ðÐÎ×´ÐèÇó


 

 

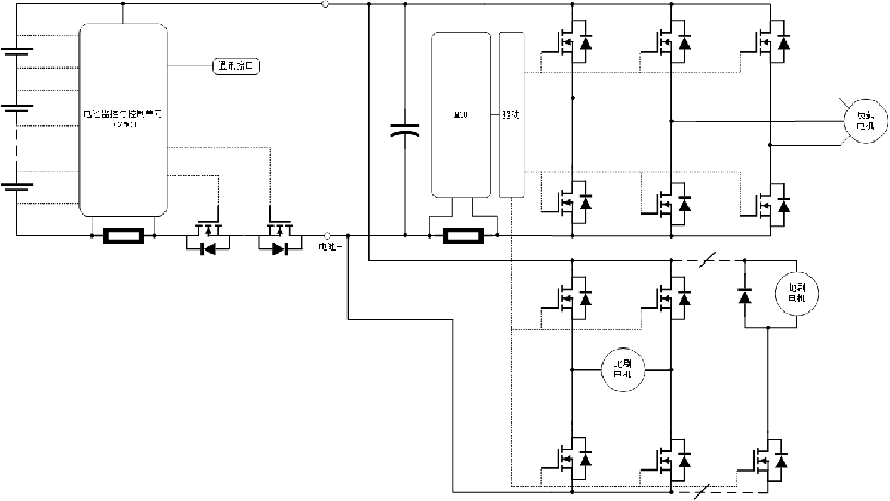
ÐÂÀû18(ÖйúÇø)¹Ù·½ÍøÕ¾ Ó¦ÓÃÔ­Àíͼ

 

       002.png    

 

 

 

  

ÐÂÀû18(ÖйúÇø)¹Ù·½ÍøÕ¾ µä·¶Ó¦ÓÃÍØÆËͼ

  003.png


 

ÐÂÀû18(ÖйúÇø)¹Ù·½ÍøÕ¾ Ó¦ÓÃÑ¡ÐÍÍÆ¼ö

004.png

 

 

²úÆ·Áбí
Îü³¾Æ÷
²úÆ·ÐͺвúÆ··â×° ²úÆ·ÖÖ±ð
-1 0 ¹²0Ò³ 0Ìõ¼Í¼ ÌøÖÁ£ºÒ³ È·¶¨
·µ»Øµ½Ê×Ò³ »Øµ½¶¥²¿
¡¾ÍøÕ¾µØÍ¼¡¿¡¾sitemap¡¿